
در STM8S103F3P6 یک میکروکنترلر 8 بیتی است که توسط stmicroelectronics ساخته شده است ، که به دلیل عملکرد چشمگیر و ادغام یکپارچه مشهور است.این دستگاه جمع و جور مجهز به سبک نصب دستگاه نصب شده (SMD) است و یک هسته پیشرفته و لوازم جانبی را که با استفاده از فناوری برش بسیار دقیق تولید می شوند ، تجسم می کند.با فرکانس ساعت 16 مگاهرتز ، STM8S103F3P6 دارای قابلیت I/O قوی است و از پردازش و کنترل داده های کارآمد اطمینان می دهد.تایمر Watchdog مستقل آن ، مجهز به یک منبع ساعت و سیستم امنیتی ساعت مستقل ، عملکرد بهینه دستگاه و مقاومت در برابر اختلالات احتمالی را تضمین می کند.
یکی از ویژگی های برجسته آن ، حافظه فلش آن است که ذخیره سازی غیر فرار برای کد و داده را فراهم می کند.این میکروکنترلر با محدوده ولتاژ عملیاتی از 2.95 ولت تا 5.5 ولت ، بسیار متنوع و سازگار با برنامه های مختلف است.علاوه بر این ، دامنه دمای گسترده ای از -40 درجه سانتیگراد تا 85 درجه سانتیگراد را ارائه می دهد ، و آن را برای استقرار در شرایط مختلف محیطی مناسب می کند.
• MSP430G2353
• pic16lf18444t
• STM8S103F3P3
• STM8S103F3P3TR
• STM8S103F3P6TR


مصرف کم مصرف: این دستگاه انواع مختلفی از مصرف انرژی کم وجود دارد ، از جمله حالت بیکار ، حالت خواب ، حالت خواب عمیق و حالت خاموش ، که می تواند به طور موثری عمر باتری را افزایش داده و باعث صرفه جویی در مصرف انرژی شود.
عملکرد بالا: این معماری هسته اصلی STM8 را با کارایی بالا اتخاذ می کند ، که اجازه می دهد تا فرکانس عملیاتی به اندازه 16 مگاهرتز باشد ، که سرعت اجرای دستورالعمل را تا حد زیادی بهبود می بخشد و قابلیت های محاسباتی کارآمدتری را برای برنامه های ما فراهم می کند.
رابط های ارتباطی چندگانه: از انواع رابط های ارتباطی از جمله SPI (رابط محیطی سریال) ، I2C و UART پشتیبانی می کند.از طریق این رابط ها ، می تواند به راحتی با دستگاه های خارجی ارتباط برقرار و تعامل کند تا به عملکردها و برنامه های بیشتر برسد.
لوازم جانبی فراوان: میکروکنترلر STM8S103F3P6 دارای منابع محیطی فراوانی از جمله 16 کیلوبایت حافظه فلش و 1 کیلوبایت حافظه رم و همچنین رابط های متداول مانند پین های GPIO ، تایمرها و UART است.تنوع این لوازم جانبی باعث می شود دستگاه برای سناریوهای مختلف کاربردی مناسب باشد و می تواند نیازهای زمینه ها و صنایع مختلف را برآورده کند.این که آیا این کنترل صنعتی ، خانه هوشمند یا سیستم های تعبیه شده است ، STM8S103P6 می تواند پشتیبانی را ارائه دهد.

STM8S103F3P6 در یک بسته بندی کوچک کوچک کوچک کوچک (TSSOP) بسته بندی شده و دارای 20 پین است.فاصله بدن و سرب از بسته های SOIC استاندارد کوچکتر است.یکی از ویژگی های معمولی TSSOP تشکیل پین های اطراف تراشه بسته بندی شده است که باعث می شود با استفاده از فناوری SMT برای نصب سیم کشی روی PCB ها مناسب باشد.هنگام استفاده از بسته TSSOP ، پارامترهای انگلی (اختلال در ولتاژ خروجی ناشی از تغییرات بزرگ در جریان) کوچکتر هستند ، بنابراین برای برنامه های با فرکانس بالا مناسب است.این نوع بسته برای کار راحت تر است و از قابلیت اطمینان بالاتری برخوردار است.
بسته TSSOP دارای ویژگی های زیر است:
• فاصله پین کوچک: فاصله پین به طور کلی 0.5 میلی متر یا 0.65 میلی متر است.از طریق طراحی میله های مس مدار مدار ، دستگاه های بیشتری را می توان در صفحه مدار با همان منطقه و اندازه قرار داد.
• دامنه گسترده برنامه: می توان آن را در زمینه های مختلف کاربردی مانند میکروکنترلرها ، DSP ها ، تراشه های حافظه و تراشه های منبع تغذیه اعمال کرد.
• تعداد پین بالا: تعداد پین ها به طور کلی حدود 20 تا 64 است که می تواند الزامات ادغام تراشه خاصی را برآورده کند.
• اندازه بسته کوچک: در مقایسه با بسته های معمولی کوچک (SO) ، اندازه بسته آن کوچکتر ، ضخامت نازک تر و حجم کوچکتر است و باعث می شود برای بسته بندی مدارهای یکپارچه با چگالی بالا مناسب باشد.
• عملکرد بالا: این فناوری سطح سطح را اتخاذ می کند ، دارای هدایت و مقاومت در برابر خوردگی خوبی است و می تواند نیازهای خاصی مانند سرعت بالا ، فرکانس بالا ، کوچک سازی و غیره را برآورده کند.
مگر در مواردی که مشخص نشده باشد ، تمام ولتاژها به VSS گفته می شود.
حداقل و حداکثر مقادیر در شرایط جانبی بیشتر ، شامل دمای محیط ، ولتاژ تأمین و فرکانس ها تضمین می شود.این ضمانت ها از طریق تست های تولید دقیق انجام شده بر روی 100 ٪ دستگاه ها ، که در دمای محیط TA = 25 درجه سانتیگراد و TA = TAMAX انجام می شود (همانطور که توسط محدوده دمای انتخاب شده تعریف شده است) ایجاد می شود.
مقادیر مبتنی بر نتایج خصوصیات ، شبیه سازی طراحی و/یا خصوصیات فناوری در پاورقی های جدول بیان شده و آزمایش تولید نشده است.با توجه به خصوصیات ، حداقل و حداکثر مقادیر مربوط به ارزیابی نمونه ها و میانگین مقدار با دامنه به علاوه یا منهای سه برابر انحراف استاندارد (میانگین 3σ) را نشان می دهد.
مگر در مواردی که صریحاً بیان نشده باشد ، داده های استاندارد با TA = 25 درجه سانتیگراد ، VDD = 5 V. ایجاد می شوند. این مقادیر فقط به عنوان منابع طراحی ارائه می شوند و تحت آزمایش قرار نگرفته اند.
دقت معمولی مقادیر ADC از طریق توصیف مجموعه ای از نمونه ها از یک قطعه انتشار استاندارد در محدوده دمای کامل ایجاد می شود.در این زمینه ، 95 ٪ از دستگاه ها خطایی را در مقدار مشخص شده (میانگین 2 پوند) نشان می دهند.
مگر در مواردی که به طور خاص مشخص شده باشد ، تمام نمودارهای استاندارد فقط به عنوان منابع طراحی در نظر گرفته شده اند و در معرض آزمایش قرار نگرفته اند.
بیش از حداکثر رتبه بندی مطلق مشخص شده می تواند منجر به آسیب دائمی دستگاه شود.این رتبه بندی ها صرفاً نشانگر محدودیت استرس است که دستگاه می تواند تحمل کند ، و این بدان معنا نیست که دستگاه تحت این شرایط به درستی کار خواهد کرد.قرار گرفتن در معرض شرایط در حداکثر رتبه بندی یا نزدیک می تواند بر قابلیت اطمینان دستگاه تأثیر منفی بگذارد.
مشخصات ماموریت دستگاه ، که شرایط کاربرد آن را تشریح می کند ، با استفاده از پروفایل های مأموریت گسترده در صورت درخواست ، به استاندارد صلاحیت JEDEC JESD47 پایبند است.
برای دستیابی به ثبات برای تنظیم کننده اولیه ، یک خازن خارجی دارای برچسب Cext باید به پین VCAP وصل شود.اطمینان از اینكه القاء این سریال زیر 15 NH باقی مانده است ، ضروری است.
مصرف فعلی همانطور که در تصویر زیر نشان داده شده است اندازه گیری می شود.

مصرف کل مصرف فعلی در حالت اجرا
MCU تحت شرایط زیر قرار می گیرد:
• تمام لوازم جانبی غیرفعال هستند (ساعت توسط ثبت های دروازه ساعت محیطی متوقف شده است) به جز اگر صریح ذکر شود.
• تمام پین های I/O در حالت ورودی با مقدار استاتیک در VDD یا VSS (بدون بار)
مشمول شرایط عملیاتی عمومی برای VDD و TA.

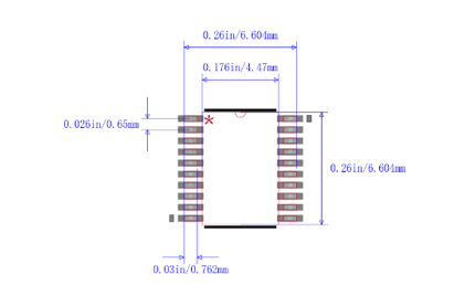
STM8S103F3P6 دارای 20 پین است ، نام و عملکرد پین آن به شرح زیر است:
PIN1 (PD4/ BEEP/ TIM2_ CH1/ UART1 _CK): پورت D4
PIN2 (PD5/ AIN5/ UART1 _TX): پورت D5
PIN3 (PD6/ AIN6/ UART1 _RX): پورت D6
PIN4 (NRST): تنظیم مجدد
PIN5 (PA1/OSCIN): بندر A1
PIN6 (PA2/OSCOUT): پورت A2
pin7 (vss): زمین دیجیتال
PIN8 (VCAP): خازن تنظیم کننده 1.8 ولت
PIN9 (VDD): منبع تغذیه دیجیتال
PIN10 (PA3/ TIM2_ CH3 [SPI_ NSS]): پورت A3
PIN11 (PB5/ I2C_ SDA [TIM1_ BKIN]): پورت B5
PIN12 (PB4/ I2C_ SCL): پورت B4
PIN13 (PC3/ TIM1_CH3 [TLI] [TIM1_ CH1N]): پورت C3
PIN14 (PC4/ CLK_CCO/ TIM1_ CH4/ AIN2/ [TIM1_ CH2N]): پورت C4
PIN15 (PC5/ SPI_SCK [TIM2_ CH1]): پورت C5
PIN16 (PC6/ SPI_MOSI [TIM1_ CH1]): پورت C6
PIN17 (PC7/ SPI_MISO [TIM1_ CH2]): پورت C7
PIN18 (PD1/ SWIM): پورت D1
PIN19 (PD2/ AIN3/ [TIM2_ CH3]): پورت D2
PIN20 (PD3/ AIN4/ TIM2_ CH2/ ADC_ ETR): پورت D3
همانطور که در شکل بالا نشان داده شده است ، تراشه STM8S103F3P6 حداکثر 16 پین I/O دارد که می تواند برای اهداف مختلفی مانند GPIO ، رابط های محیطی ، ADC و غیره استفاده شود. پین های I/O آن دو طرفه هستند و می توانند باشندبه عنوان پین ورودی برای خواندن سیگنال های خارجی یا به عنوان پین خروجی برای ارسال سیگنال به دستگاه های خارجی استفاده می شود.علاوه بر این ، هر پین I/O می تواند به طور مستقل یک بردار قطع برای تسهیل پردازش دقیق وقفه در هنگام بروز آنها اختصاص دهد.
• سیستم های اتوماسیون: این میکروکنترلر می تواند در سیستم های اتوماسیون مانند پرده های برقی ، سیستم های کنترل دسترسی ، کنترل دما و کنترل روشنایی استفاده شود.
• برنامه IoT (اینترنت اشیاء): در صورت نیاز به توسعه دستگاه های IoT ، می توان از آن به عنوان کنترل کننده برای گره های IoT برای اتصال و کنترل سنسورهای مختلف و ماژول های ارتباطی استفاده کرد.
• دستگاه های الکترونیکی شخصی: در دوربین های دیجیتال ، بازیکنان MP3 و MP4 ، کنسول های بازی الکترونیکی و غیره استفاده می شود.
• تجهیزات الکترونیکی: برای توسعه تجهیزات الکترونیکی مختلف استفاده می شود
، مانند اسباب بازی های الکترونیکی ، کنترل از راه دور ، ماشین حساب های کوچک و غیره
• زمینه صنعتی: در PLC ، کنترل کننده های صنعتی ، اتوماسیون فرآیند و تجهیزات کنترل خودکار و غیره استفاده می شود.
• دستیابی به داده ها و رابط سنسور: برای نظارت بر شرایط محیطی و جمع آوری داده ها یا اتصال سنسورهای مختلف مانند سنسورهای نور ، سنسورهای دما و سنسورهای رطوبت استفاده می شود.
• سیستم کنترل تعبیه شده: برای طراحی سیستم های مختلف کنترل تعبیه شده مانند لوازم خانگی ، تجهیزات صنعتی ، ابزارهای قدرت و غیره استفاده می شود. قدرت پردازش 8 بیتی آن برای بسیاری از کارهای کنترل ساده کافی است.
STM8S103F3P6 یک تراشه میکروکنترلر است که توسط stmicroelectronics ساخته شده است.متعلق به خانواده STM8 از میکروکنترلرهای 8 بیتی است و به طور گسترده در سیستم های مختلف تعبیه شده و برنامه های IoT مورد استفاده قرار می گیرد.
واحد میکروکنترلر STM8S103F3P6 دارای 640 بیت ROM ، 10 بیتی 5 کانال ADC ، رم 1 کیلوبایت و با اندازه حافظه برنامه 8kB است.
ما می توانیم STM8S103F3P6 را با MSP430G2353 ، PIC16LF18444T ، STM8S103F3P3 ، STM8S103F3P3TR یا STM8S103F3P6TR جایگزین کنیم.
بله ، STM8S103F3P6 با ویژگی های کم قدرت طراحی شده است و می تواند در برنامه های باتری یا کم مصرف در جایی که راندمان انرژی ضروری است استفاده شود.
برخی از ویژگی های کلیدی STM8S103F3P6 شامل پین های GPIO (ورودی/خروجی هدف کلی) ، ارتباطات UART (گیرنده/فرستنده ناهمزمان جهانی) ، ارتباطات I2C (مدار بین یکپارچه) ، ارتباطات SPI (رابط پیرامونی سریال) ارتباطات ، تایمرها و موارد دیگر است.
دربارهی ما
رضایت مشتری هر بار.اعتماد متقابل و علایق مشترک.
مشخصات فنی سلول سکه لیتیوم CR2354
2024-08-02
راهنمای جامع برای میکروکنترلر ATMEGA328-PU
2024-08-02
پست الکترونیک: Info@ariat-tech.comHK TEL: +852 30501966اضافه کردن: Rm 2703 27F Ho King Comm Center 2-16 ،
Fa Yuen St MongKok Kowloon ، هنگ کنگ.